全国服务热线
首页>>产品展示>>榆林变送器系列
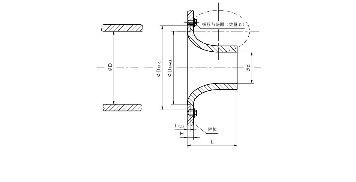
喷嘴是一种应用广泛的节流装置。用喷嘴可方便准确地测量流经管道的流体流量。
风室专用喷嘴样本2017.05.17.pdf
榆林差压变送器
榆林涡轮流量传感器/变送器
榆林多参量变送器
榆林EJA差压变送器
榆林智能差压变送器
榆林3151系列智能变送器
榆林风室专用喷嘴
QQ咨询
联系电话
微信扫一扫
返回顶部