DMF-1系列科氏力质量流量计
质量流量计是根据科里奥利(Coriolis Force)原理,实现流体质量流量的直接精密测量,而无需任何压力、温度、粘度、密度等换算或修正。其结构是由传感器单元和变送器单元两部分组成。
质量流量计是根据科里奥利(Coriolis Force)原理,实现流体质量流量的直接精密测量,而无需任何压力、温度、粘度、密度等换算或修正。其结构是由传感器单元和变送器单元两部分组成。
概述
质量流量计是根据科里奥利(Coriolis Force)原理,实现流体质量流量的直接精密测量,而无需任何压力、温度、粘度、密度等换算或修正。其结构是由传感器单元和变送器单元两部分组成。仪表按本质安全防爆型的标准设计与制造,防爆标志为Exdib[ib]IIBT5
科里奥利质量流量计能够直接测量流体的质量,具有高精度(0.1%~0.2%),应用范围广(可测量各种非牛顿流体、各种浆液、悬浮液、高粘度流体等),安装要求低(对仪表的前后直管段要求不高),运行可靠、稳定,维修率低等特点。
警告 |
危险场合的不正确安装和操作可能产生危险 |
关于危险场合的技术参数,请参考防爆部分说明 |
1.1 工作原理 :
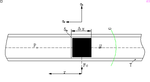
当一个位于以P点为旋转中心做旋转运动的管子内的质点做朝向或远离旋转中心的运动时,将产生一贯性力,原理如图1:

图中质量为δm的质点以匀速v围绕一个固定点P并以角速度ω旋转的管道内移动时,这个质点将获得两个加速度分量:
1. 法向加速度αr(向心加速度),其量值值等于ω2r,方向朝向P点;
2. 切向加速度αt(科里奥利加速度),其量值等于2ωv,方向与αr垂直。
根据牛顿第二运动定律(力=质量X加速度),产生科里奥利加速度αt,必定在αt的方向上施加一个相应的力,其大小等于2ωvδm,这个力来自向上转动的管道。反向作用于管道上的力,Fc=2ωvδm(简称科氏力)。图中,流体δm=ρAΔx,因此科氏力可表示为: ΔFc=2ωvδm=2ωvρAΔx=2ωδqmΔx
式中:A为管道内截面积
δqm=δdm/dt=vρA
对于特定的旋转管道,其频率特性是一定的,ΔFc仅取决于δqm,因此,直接或间接测得在旋转的管道中的流动的流体所施加的科氏力就可以测得质量流量,这就是质量流量计的基本原理。
警告 |
电源电压可能会导致严重的伤害 |
请确保在安装或检修仪表前切断电源 |
警告 |
不正确的安装可能使仪表不能正常工作或损坏 |
参考说明书的安装部分与传感器的接线部分 |
1.2 仪表参数
l 适用范围: 适用于液体、气体、液固、气固的微小质量流量的测量
l 测量管材质: 304 或316L不锈钢
l 压力等级: 标准配置见下表,其他高压可以特殊订货。
l 介质温度: -50℃~+150℃:-50℃~250℃;-50℃~ 350℃;-100℃~ 350℃
l 环境温度: -20℃~+70℃
l 流量测量精度: ±0.20% 流量±[(零点稳定性/流量值)×100]% 流量 (±0.1%为特殊订货)
l 密度测量精度: ±0.002g/cm³
l 重复性: ±0.10% 流量±[½(零点稳定性/流量值)×100]% 流量
l 输出信号: 4~20mA 负载电阻<500Ω(瞬时流量或密度可选); 0~10kHz 瞬时流量脉冲信号;
l 485 通讯信号
l 传感器的防爆标志: Exib(ib)ⅡBT2- T5
l 防爆合格证号: CE072066
l 变送器防爆标志: Exd(ib)ibIBT5
l 防爆合格证号: CE092053
联系电话
微信扫一扫